meta data for this page
ULCO 88
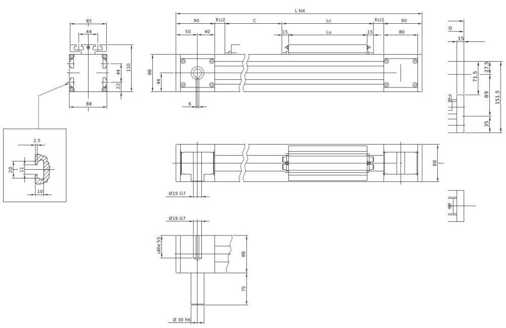
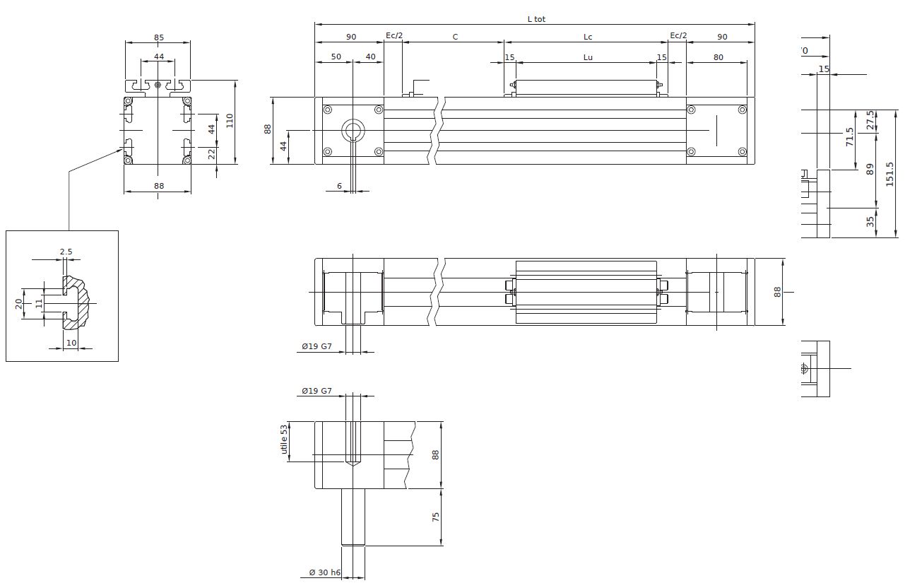
Mechanical drawing
Load rating
Technical data
| Parameter | Symbol | Value | Unit |
| Max usable stroke | 6400 | mm | |
| Total lenght | Ltot | C+Lc+240 | mm |
| Carriage length | Lc | 300 | mm |
| Carriage usable length | Lu | 270 | mm |
| Extra-stroke (safety) | Ec | 60 | mm |
| Max speed | 250 | m/min | |
| Max acceleration | 100 | m/sec2 | |
| Position repeatability | < 0.05 | mm | |
| Aluminium profile section | 88 x 88 | mm | |
| Inertia momentum of aluminium profile | Ix | 2100259 | mm4 |
| Inertia momentum of aluminium profile | Iy | 2896145 | mm4 |
| Type of mechanic | linear guide with compact block | ||
| Belt type | Poliuretan HTD-5M-47 | ||
| Pulley teeth number | 30 | ||
| Diameter | 76,43 | mm | |
| Linear movement per rotation | 240 | mm | |
| Operating temperature | -20 / +60 | degrees |
