meta data for this page
Xtrapulspack Easy Servo Drive
In order to configure the drive to work with NiLAB, see this page: https://www.nilab.at/dokuwiki/doku.php?id=green_drive_motors:xtrapulspack|
Software per la parametrizzazione del drive: https://www.nilab.at/download/gemdrive-studio-5-36-infranor-drive/?wpdmdl=7376&refresh=67a1d90a4104f1738660106
For control using CanOPEN fieldbus download the EDS here: :miniature_motors:eds_file_easy-ak_v1.31.zip
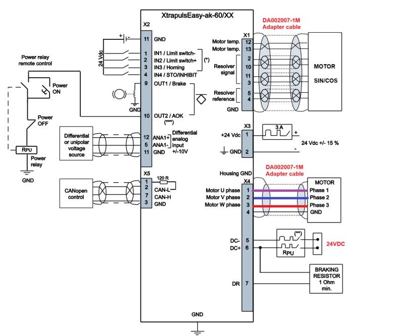
Serial and CanOPEN communication - X5 connector pinout
Suggested USB to RS232 converter : https://ftdichip.com/products/usb-rs232-we-1800-bt_0-0/


